Věžová sestava VVZ-VZ4-002-15
Kombinovaná věžová sestava
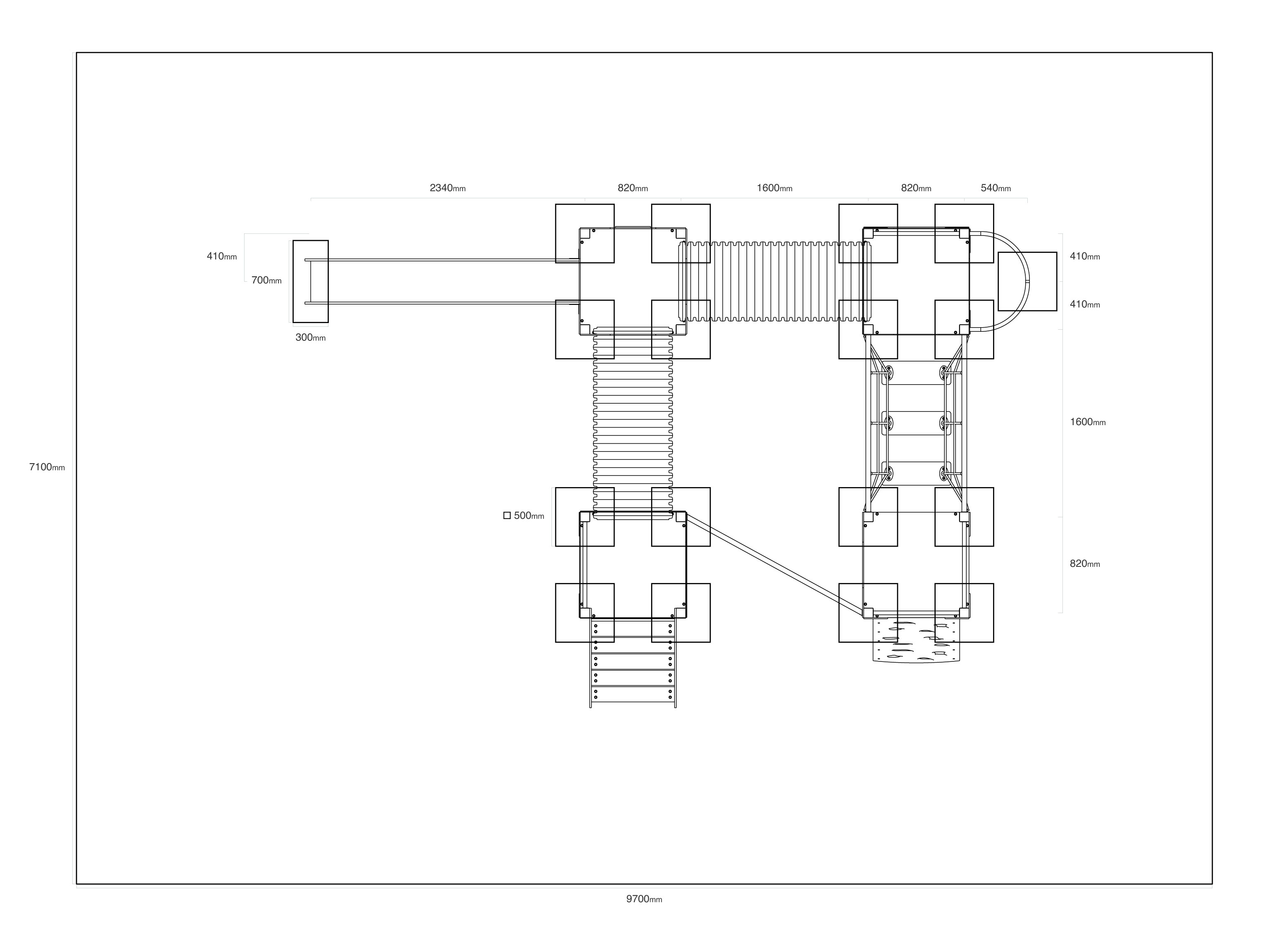
Čtyřvěžová kombinovaná sestava. Dvě věže s hradbami a dvě nízké věže jsou propojeny diagonální lanovou stěnou, lanovým můstkem a dvěma tunely. Sestava obsahuje schůdky, šikmou lezeckou stěnu, lezeckou tyč, šikmou lanovou síť, žebříky a dvě skluzavky. Tyrkysově-oranžový design už z dálky láká ke hře. Ocelová konstrukce je odolná vůči povětrnostním vlivům díky žárovému zinkování a lakování odolnou práškovou barvou. Použitý HPL materiál je chemicky odolný, odolný vůči UV záření – stálobarevný, netoxický, recyklovatelný a nelámavý. Nehrozí tak poranění dětí ostrými hranami nebo úlomky. Lana jsou vyrobena z polyesterových vláken, která jsou vinuta kolem středové výztuže. Tato konstrukce lana zvyšuje jeho pevnost a odolnost proti mechanickému namáhání. Samotný polyester je odolný vůči mikroorganismům, povětrnostním vlivům, rychle schne po dešti, je stálobarevný a vyznačuje se vysokou pevností. Všechny spoje jsou nerezové a zakryté plastovými krytkami pro zvýšení životnosti a bezpečnosti.
Kombinovaná věžová sestava VVZ-VZ4-002-15 je certifikována podle ČSN EN 1176
SPECIFIKACE:
Věková kategorie: 3 -14 let
Rozměry prvku: 4,1 x 6,0 x 3,6 m (DxŠxV)
Výška volného pádu: do 1,5 metru
Dopadní plocha: 7,1 x 9,7 m<1 />Materiál: Žárově zinkovaná a práškovaná ocel, HPL materiál tl. 6, 10, 15, 19, HDPE plast, polyesterová lana, nerezový spojovací materiál

HPL - Vysokotlaké lamináty

Lezení

Smýkání

Ano dopravu zajišťujeme po celém Česku.
Každý prvek v naší nabídce je dostupný „na klíč“, ale v případě zájmu a šetření rozpočtu Vám umíme poskytnout výkres základů a montáže abyste si prvky uměli osadit i sami.
Všechny naše prvky v nabídce prošly kontrolou Technické inspekce a.s., podle příslušné normy, což dokazují i certifikáty které můžete najít na webu u každého produktu. Přestože jsou všechny naše výrobky schváleny Technickou inspekcí a.s., nejpřísnějšími kontrolory jsou pro nás ti, kteří se na cestu za zábavou vydají – a nejsou to jen děti.
Naše produkty jsou navrženy, vyvinuty, testovány a vyrobeny u nás v naší hale v Trenčíně.
Samozřejmě, obchodníci jsou zde připraveni pro Vás. Který obchodník je pro Vaši obec naleznete na této mapě.
Standardní doba dodání je 4 až 6 týdnů od zadání objednávky.
































.png&w=200&h=200)















