Věžová sestava VVZ-VZ1-006-1-15
Kombinovaná věžová sestava
Jednověžová kombinovaná sestava - věž s hradbami, na kterou děti vylezou po schůdcích nebo po lezecké stěně s úchyty a dolů se mohou spustit po skluzavce. Součástí herní sestavy je ráhno houpačky se sedákem Klasik nebo Baby. Tyrkysově-oranžový design už z dálky láká ke hře. Ocelová konstrukce je odolná vůči povětrnostním vlivům díky žárovému zinkování a lakování odolnou práškovou barvou. Použitý HPL materiál je chemicky odolný, odolný vůči UV záření – stálobarevný, netoxický, recyklovatelný a nelámavý. Nehrozí tak poranění dětí ostrými hranami nebo úlomky. Všechny spoje jsou nerezové a zakryté plastovými krytkami pro zvýšení životnosti a bezpečnosti.
SPECIFIKACE:
Kombinovaná věžová sestava VVZ-VZ1-006-1-15 je certifikována podle ČSN EN 1176
Věková kategorie: 3 - 14 let
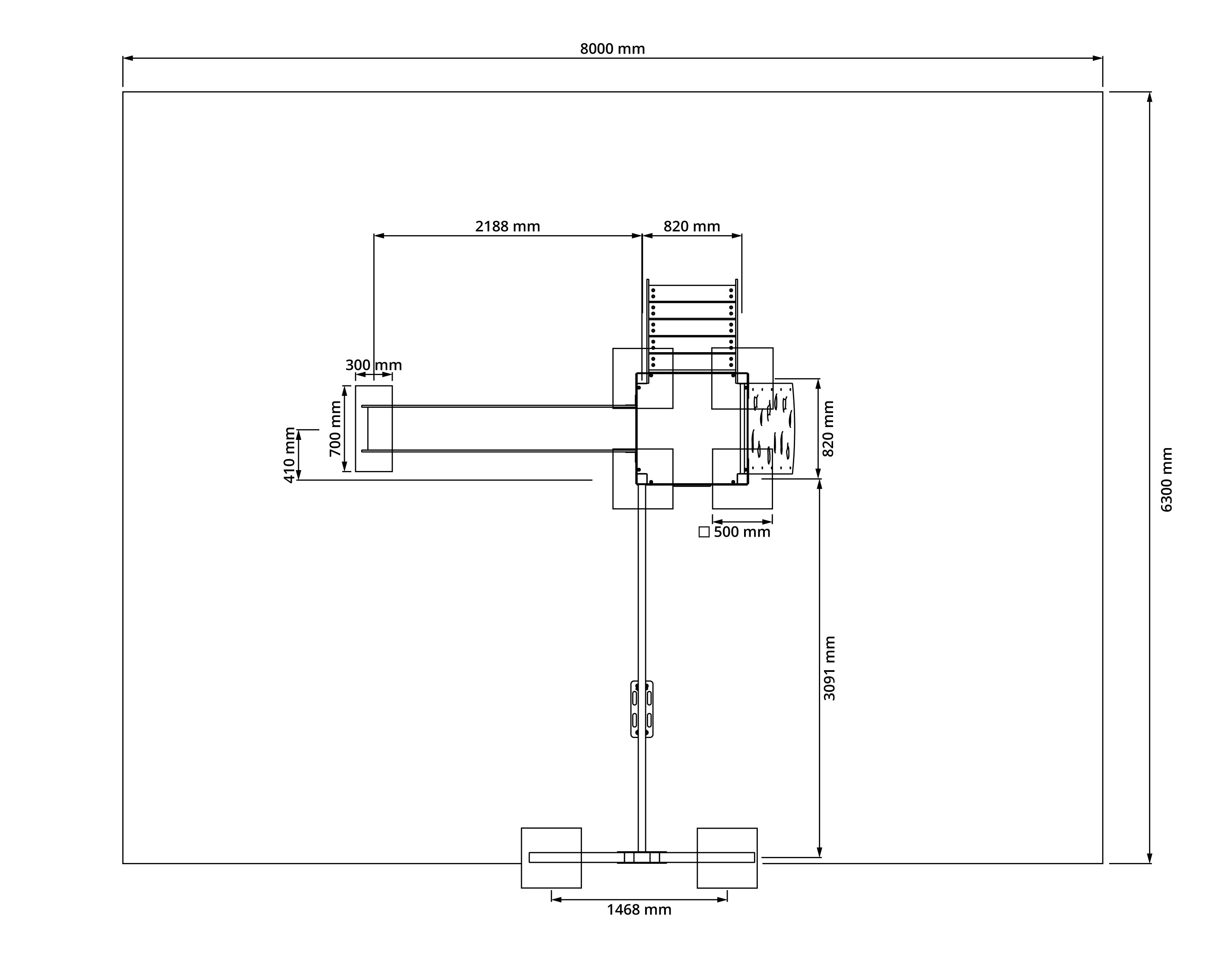
Rozměry prvku: 4,6 x 3,5 x 3,6 (DxŠxV)
Výška volného pádu: do 1,5 metru
Dopadní plocha: 6,3 x 8,0 m ( />Materiál: Žárově zinkovaná a práškovaná ocel, HPL materiál tl. 6, 10, 15, 19, HDPE plast, nerezový spojovací materiál

HPL - Vysokotlaké lamináty

Houpání se

Lezení

Smýkání

Ano dopravu zajišťujeme po celém Česku.
Každý prvek v naší nabídce je dostupný „na klíč“, ale v případě zájmu a šetření rozpočtu Vám umíme poskytnout výkres základů a montáže abyste si prvky uměli osadit i sami.
Všechny naše prvky v nabídce prošly kontrolou Technické inspekce a.s., podle příslušné normy, což dokazují i certifikáty které můžete najít na webu u každého produktu. Přestože jsou všechny naše výrobky schváleny Technickou inspekcí a.s., nejpřísnějšími kontrolory jsou pro nás ti, kteří se na cestu za zábavou vydají – a nejsou to jen děti.
Naše produkty jsou navrženy, vyvinuty, testovány a vyrobeny u nás v naší hale v Trenčíně.
Samozřejmě, obchodníci jsou zde připraveni pro Vás. Který obchodník je pro Vaši obec naleznete na této mapě.
Standardní doba dodání je 4 až 6 týdnů od zadání objednávky.
































.png&w=200&h=200)















