Opičí dráha trojitá VVZ-OP3-06
Opičí dráha trojitá
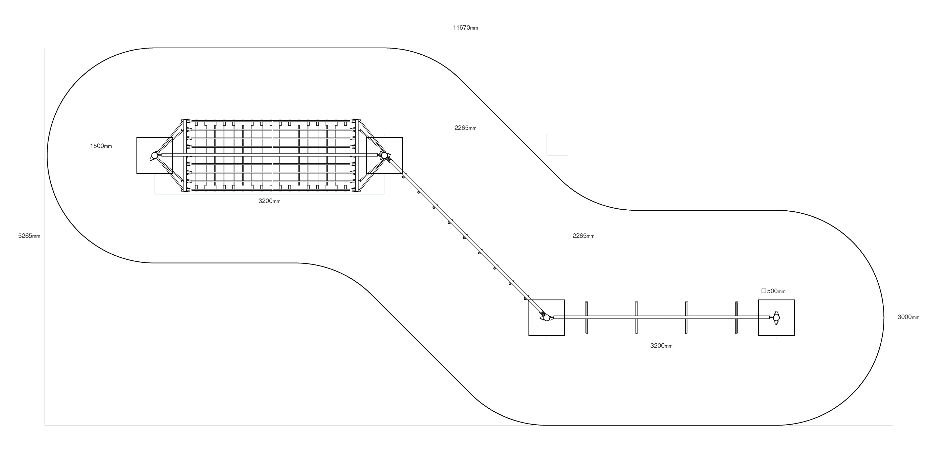
Opičí dráha vytvořená kombinací tří částí - lanové sítě, lanové stěny a lichoběžníkové stěny. Překonávání tohoto herního prvku je nejen zábava, ale také námaha. Herní prvek je vyroben ze zinkované oceli s kvalitní povrchovou úpravou - práškovým lakováním, spoje jsou nerezové a zakryté plastovými krytkami pro zvýšení bezpečnosti a životnosti spojů. Lana jsou vyrobena z polyesterových vláken s ocelovým jádrem, které jsou vinuty kolem středu. Tato konstrukce lana zvyšuje jeho pevnost a odolnost proti mechanickému namáhání. Samotný polyester má spoustu kladných vlastností. Je odolný vůči mikroorganismům, povětrnostním vlivům, rychle schne po dešti, je stálobarevný a vyznačuje se vysokou pevností a odolností.
Specifikace:
Opičí dráha trojitá VVZ-OP3-06 je certifikována podle ČSN EN 1176
Kapacita: 6 osob
Věková kategorie: 3 - 14 let
Rozměry prvku: 7,92 x 4,62 x 2,2 m do 1/2 metru
Dopadní plocha: 11,67 x 5,27 m (ve smyslu ČSN EN 1176-1)
Materiál: Zinkovaná a práškovaná ocel, polyesterová lana, HPL tl. 19mm, nerezový spojovací materiál a řetězy

HPL - Vysokotlaké lamináty

Lezení

Ano dopravu zajišťujeme po celém Česku.
Každý prvek v naší nabídce je dostupný „na klíč“, ale v případě zájmu a šetření rozpočtu Vám umíme poskytnout výkres základů a montáže abyste si prvky uměli osadit i sami.
Všechny naše prvky v nabídce prošly kontrolou Technické inspekce a.s., podle příslušné normy, což dokazují i certifikáty které můžete najít na webu u každého produktu. Přestože jsou všechny naše výrobky schváleny Technickou inspekcí a.s., nejpřísnějšími kontrolory jsou pro nás ti, kteří se na cestu za zábavou vydají – a nejsou to jen děti.
Naše produkty jsou navrženy, vyvinuty, testovány a vyrobeny u nás v naší hale v Trenčíně.
Samozřejmě, obchodníci jsou zde připraveni pro Vás. Který obchodník je pro Vaši obec naleznete na této mapě.
Standardní doba dodání je 4 až 6 týdnů od zadání objednávky.
































.png&w=200&h=200)















