Lanová pyramida 3 m VVZ-PYR030
Lanová pyramida 3metrová VVZ-PYR030
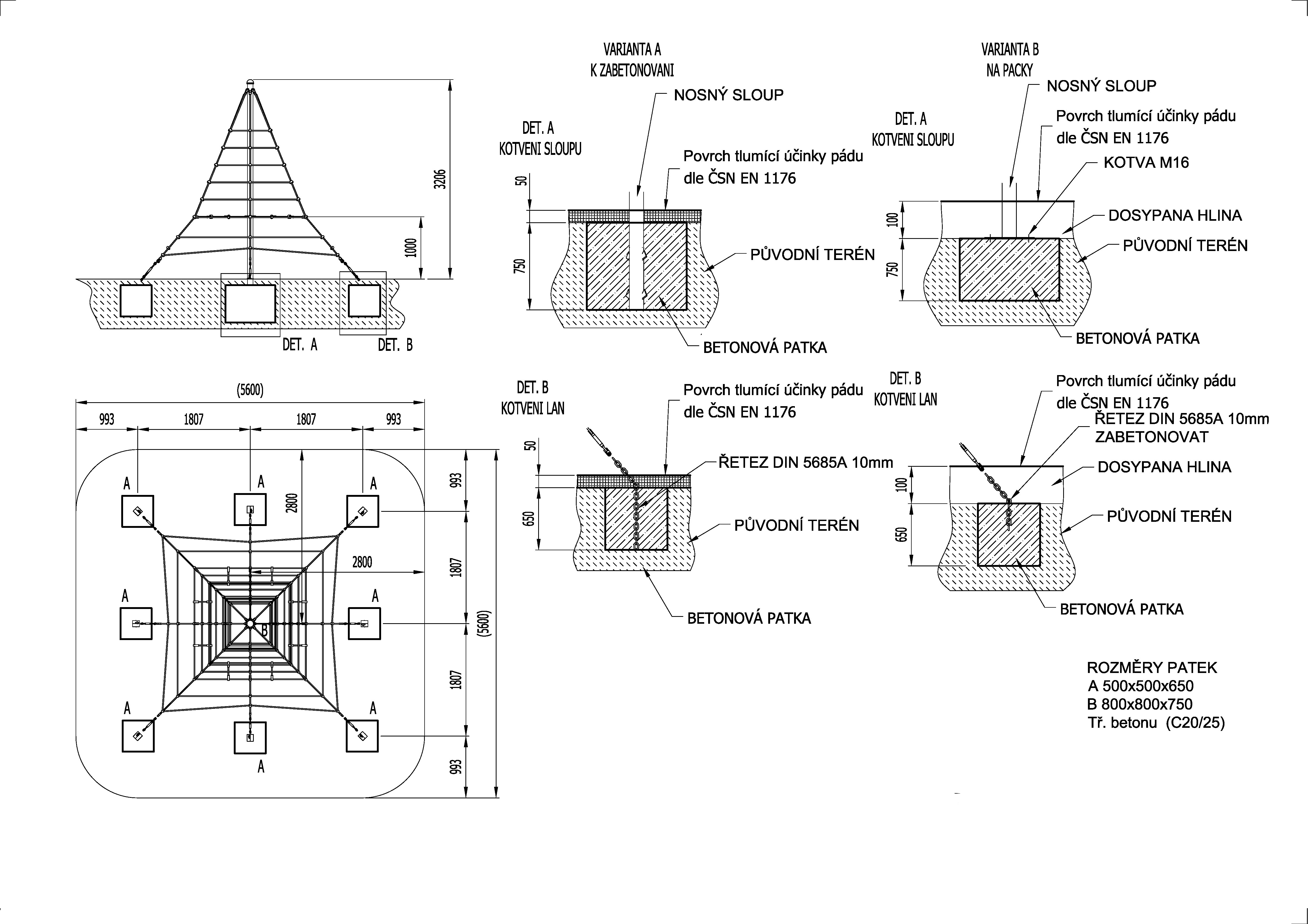
Třímetrová lanová pyramida je vhodná i pro menší děti, které v přítomnosti rodiče získají odvahu vylézt až na vrchol. Herní prvek je vyroben ze zinkované oceli s kvalitní povrchovou úpravou. Spoje jsou z nerezové oceli a jsou zakryty plastovými krytkami pro zvýšení bezpečnosti a životnosti spojů. Lana jsou vyrobena z polyesterových vláken, která jsou vinutá kolem středového jádra. Tato konstrukce zvyšuje jejich pevnost a odolnost vůči mechanickému namáhání. Polyester má mnoho výhod – je odolný vůči mikroorganismům, povětrnostním vlivům, rychle schne po dešti, je stálobarevný a vyznačuje se vysokou pevností. Lanová pyramida VVZ-PYR030 je certifikována podle normy ČSN EN 1176.
Jako dopadovou plochu lze použít travnatý povrch, doporučujeme však zatravňovací rohož.
SPECIFIKACE:
Lanová pyramida VVZ-PYR030 je certifikována podle normy ČSN EN 1176
Kapacita: 20 osob
Věková kategorie: 3–14 let
Rozměry prvku: 3,6 × 3,6 × 3,2 m (D׊×V)
Výška volného pádu: do 1,0 m
Dopadová plocha: 5,6 × 5,6 m (v souladu s ČSN EN 1176-1)
Materiál: Zinkovaná ocel, polyesterové lano, nerezový spojovací materiál

Lezení

Ano dopravu zajišťujeme po celém Česku.
Každý prvek v naší nabídce je dostupný „na klíč“, ale v případě zájmu a šetření rozpočtu Vám umíme poskytnout výkres základů a montáže abyste si prvky uměli osadit i sami.
Všechny naše prvky v nabídce prošly kontrolou Technické inspekce a.s., podle příslušné normy, což dokazují i certifikáty které můžete najít na webu u každého produktu. Přestože jsou všechny naše výrobky schváleny Technickou inspekcí a.s., nejpřísnějšími kontrolory jsou pro nás ti, kteří se na cestu za zábavou vydají – a nejsou to jen děti.
Naše produkty jsou navrženy, vyvinuty, testovány a vyrobeny u nás v naší hale v Trenčíně.
Samozřejmě, obchodníci jsou zde připraveni pro Vás. Který obchodník je pro Vaši obec naleznete na této mapě.
Standardní doba dodání je 4 až 6 týdnů od zadání objednávky.
































.png&w=200&h=200)















